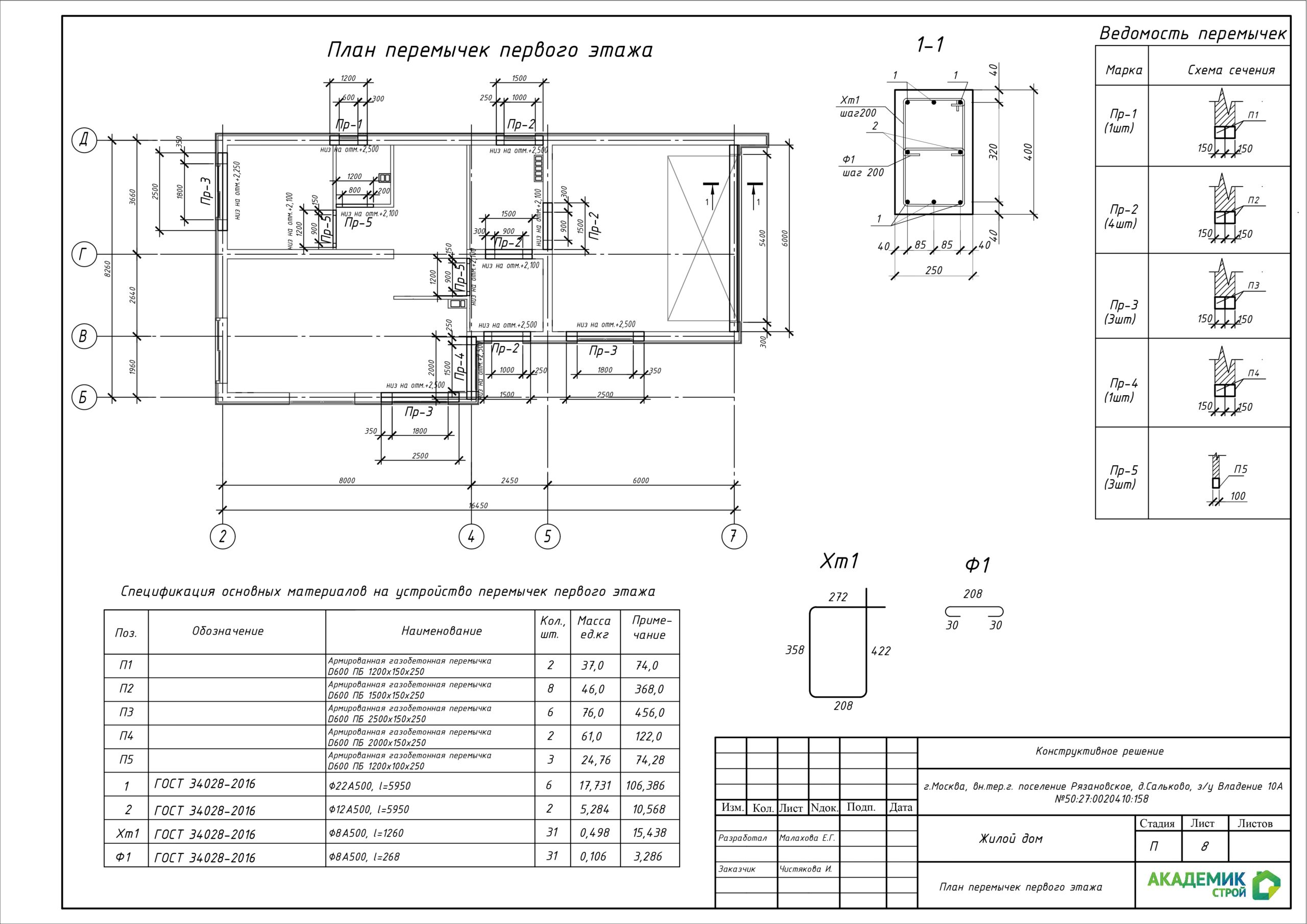
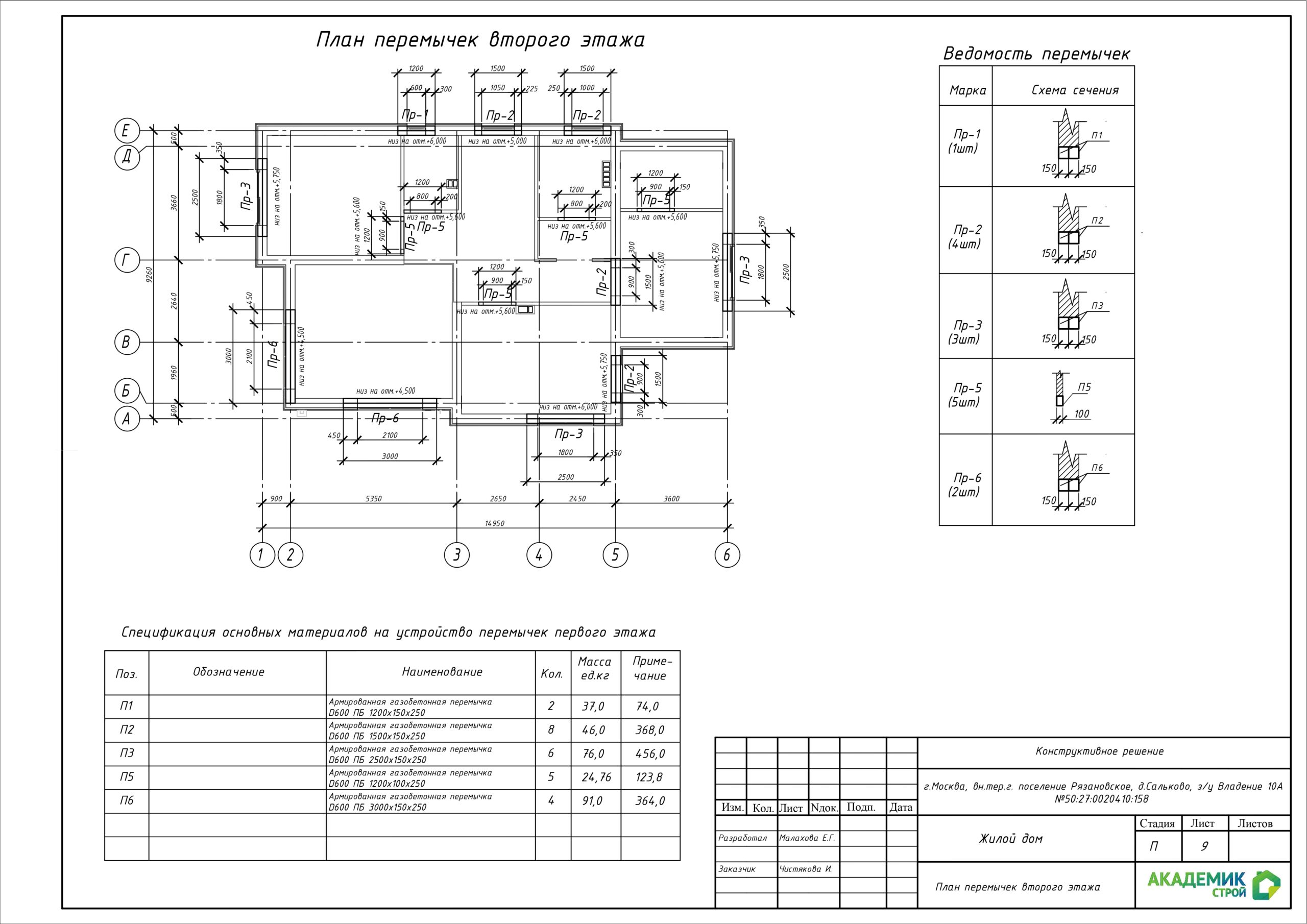
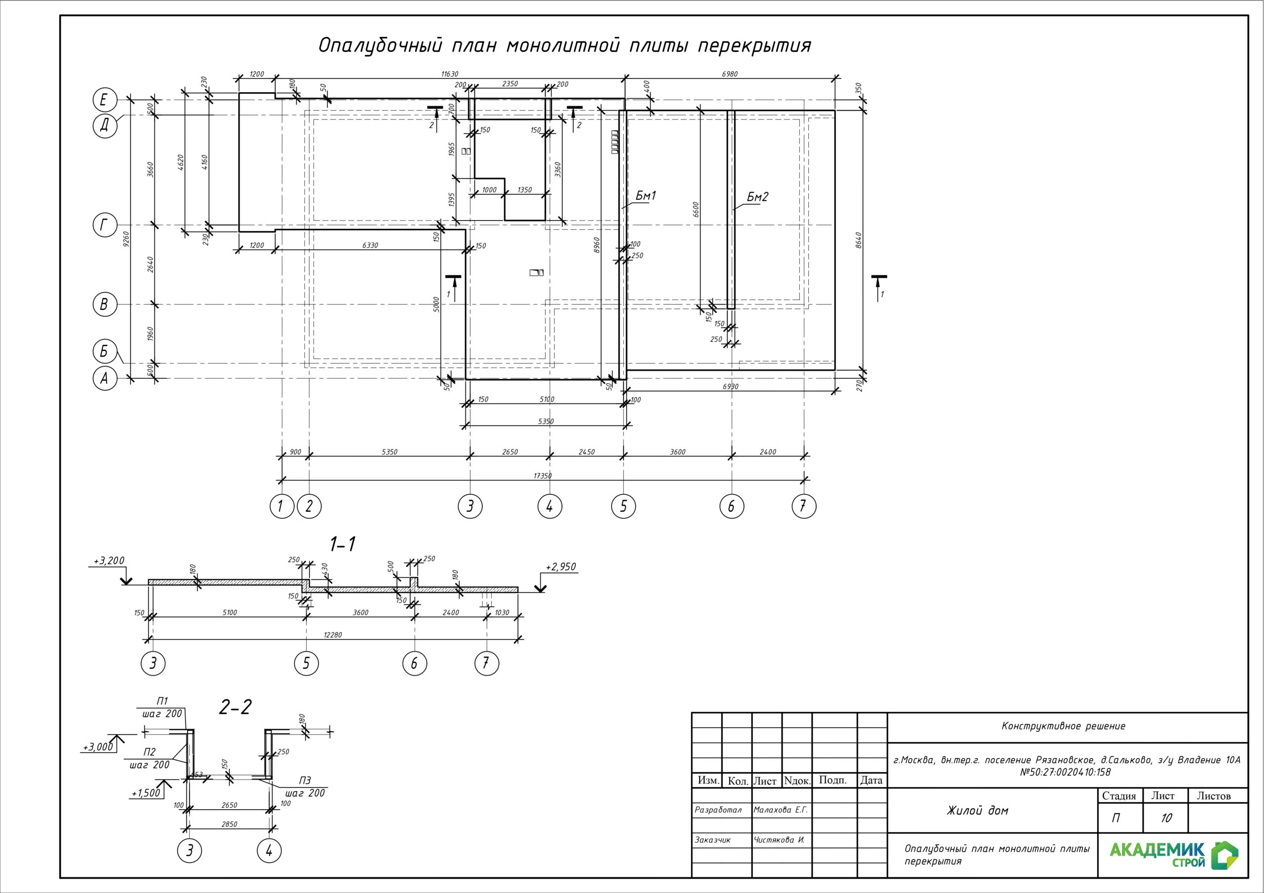
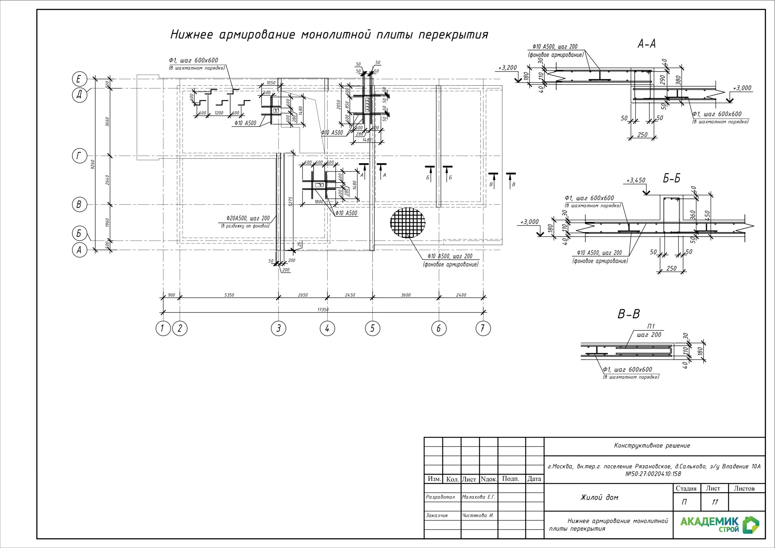
Одноэтажный дом
The gallery was not found!
154 м2
Полезная
площадь
площадь
1 этаж
Этажей
26 м2
Террасы
и балконы
и балконы
0Без
гаража
гаража
0
Количество
спален
спален
0
Количество
санузлов
санузлов
Преимущества работы с нами
7 этапов оплаты
Независимый строительный надзор
Экологически чистые материалы
16 лет гарантии
Онлайн-кабинет с веб-камерой
Строители с опытом более 15 лет
Собственное производство






















